Bármilyen hihetetlen is, a mikroszkóp feltalálójának nevét mindmáig homály fedi. Ez azonban nem teszi semmissé azt a tényt, hogy bárki is volt ez a meg nem nevezett személy, találmányának köszönhetően egy teljesen új világot nyitott meg az emberiség számára. A mikroszkópnak köszönhetjük többek között azt is, hogy a most következőkhöz hasonló képeket láthatunk saját magunkról, vagyis az emberi testről és annak legapróbb részleteiről.
1. Emberi nyelv

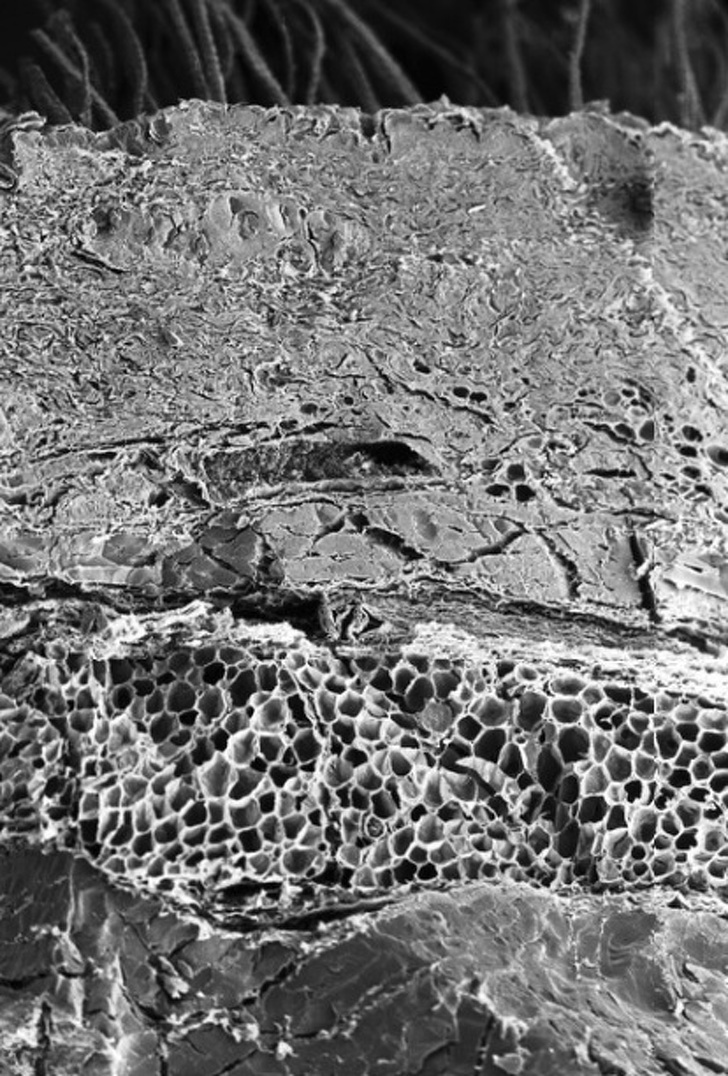
2. Emberi csont

3. Vékonybél

4. Szív (szívkoszorúér)

5. Bőr

6. Szem (retina)

7. Egészséges tüdő

8. Rákos tüdő

9. Az emberi testhez kapcsolódó egyéb dolgok: vér

10. Peteérés

11. Haj

12. Purkinje sejt

13. Fog

14. Dentális plakk

15. Inzulin-kristályok

16. Köröm

 
					 
						 
				 
					
